Manfred Weber
Metra Mess- und Frequenztechnik in Radebeul e.K.
PC-Schwingungsmesssystem VibroMetra

Ereignismelder vom Typ Digitaler Ausgang

 
Mit diesem Ereignismeldertyp können Alarmzustände über industriell gebräuchliche elektrische Schaltausgänge signalisiert werden. Das können Relais sowie einfache oder isolierte Digitalausgänge sein. An diese Schaltausgänge lassen sich dann elektrische Meldeeinrichtungen anschließen, wie Alarmleuchten, Hupen oder Blitzlichter.
Damit eignen sich diese Melder besonders für feste Installationen, z.B. in der Prozessüberwachung oder Qualitätskontrolle. Die Vielfalt von elektrischen Ausgängen wird durch unterschiedliche Ausgabemodule des ADAM*-Systems realisiert. Durch das Systemkonzept können die Meldeeinrichtungen modular ausgebaut werden. Aus VibroMetra können damit Hunderte elektrische Schaltausgänge angesteuert werden.
 
* Das ADAM-System ist ein Produkt von Advantech, in Deutschland vertreten durch die Advantech Europe GmbH.
 

Aufbau

 
An den Mess-PC (1) wird über die USB-Schnittstelle ein einziger Konverter vom Typ ADAM-4561 (2) angeschlossen. Dieser übersetzt Befehle an die Ausgabemodule des
ADAM-Netzwerks (3). Jedes Ausgabemodul beherbergt mehrere elektrische Schaltausgänge. Je nach Typ unterscheiden sich Anzahl und Art der Schaltausgänge. Die Schaltausgänge steuern dann ihrerseits Meldeeinrichtungen oder signalisieren ihren Zustand an andere Geräte, wie z.B. Steuerungen oder eine SPS (4).
 
 

Module im ADAM-Netzwerk

 
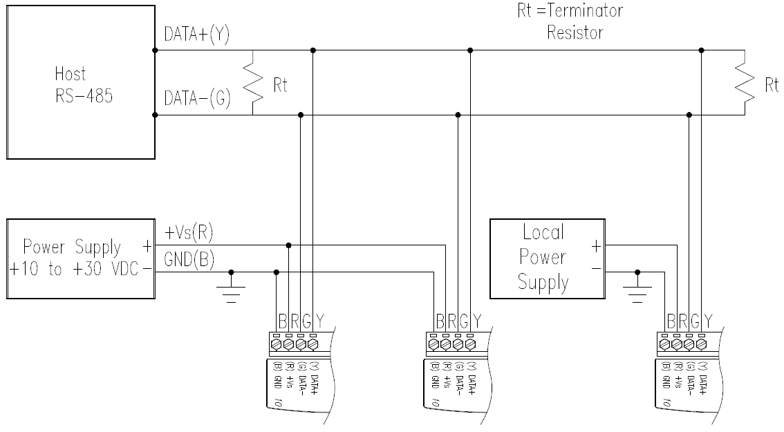
Alle Module eines ADAM-Netzwerks können über eine verdrillte Zweidrahtleitung miteinander verbunden werden. Ohne weitere Maßnahmen lassen sich 32 Module hintereinander schalten, wobei der Abstand zwischen 2 Modulen bis zu 1200 m betragen darf. Für mehr Module oder weitere Abstände lassen sich Repeater einsetzen.
Die Kommunikation erfolgt mittels RS485 Standard. Es werden nur 2 Klemmen benötigt, wobei folgende Farbgebung für die Leitungen empfohlen wird:
  • DATA+ Gelb, auf Modul (Y)
  • DATA–  Grün, auf Modul (G)
 

Versorgung

 
Der Konverter ADAM-4561, welcher die Anbindung des ADAM-Netzwerkes an den PC vornimmt, speist sich über die USB-Schnittstelle.
Die Ausgabemodule weisen 2 Klemmen auf, an welche eine Speisespannung 10..30 V DC angelegt werden kann. Als Farbgebung für die Leitungen wird empfohlen:
  • +Vs Rot, auf Modul (R)
  • GND Schwarz, auf Modul (B)
Es müssen nicht notwendigerweise auch die Versorgungsleitungen aller Module miteinander verbunden werden. Abgesetzte Module können vielmehr auch lokal versorgt werden.
 
 
 

Befestigung

 
Die ADAM Module enthalten im Lieferumfang Adapter zur Wandbefestigung aber auch für die DIN-Schiene. Zudem lassen sich die Module aufeinander schrauben.
 

Konfiguration

 
Die Konfiguration besteht aus 3 Teilen: